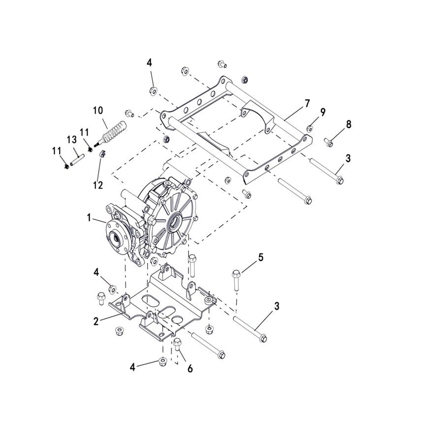
BUCK 450 REAR AXLE INSTALLATION
Kit Product
| REF# | SKU | Title | Price | Quantity |
|---|---|---|---|---|
|
|
||||
|
|
||||
|
|
Click, Ship and Ride with at Home Delivery
| REF# | SKU | Title | Price | Quantity |
|---|---|---|---|---|
|
|
||||
|
|
||||
|
|