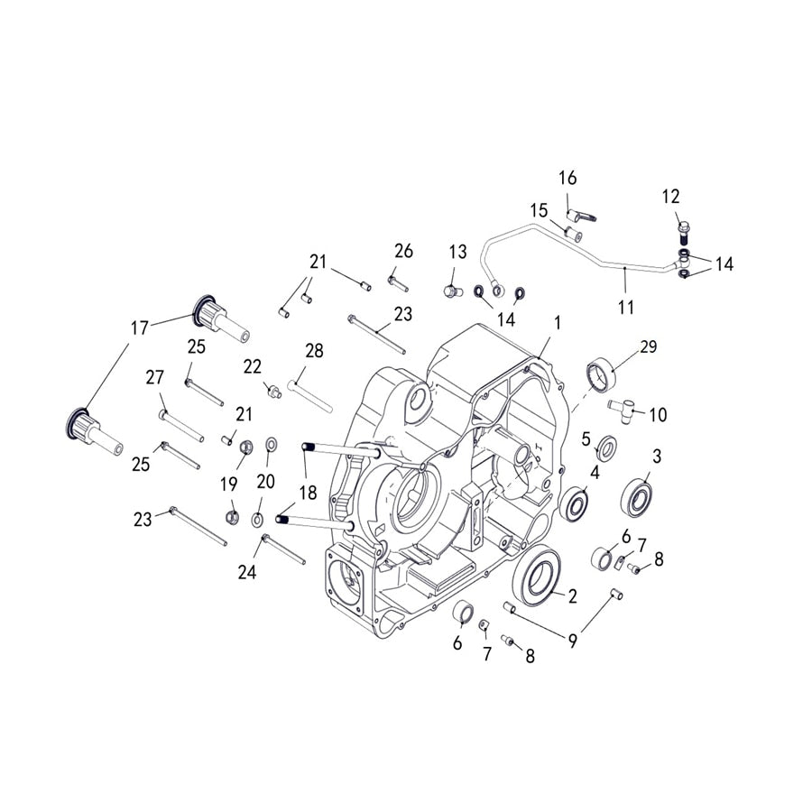
T-BOSS 750 RIGHT CRANKCASE

Kit Product

REF# SKU Title Price Quantity